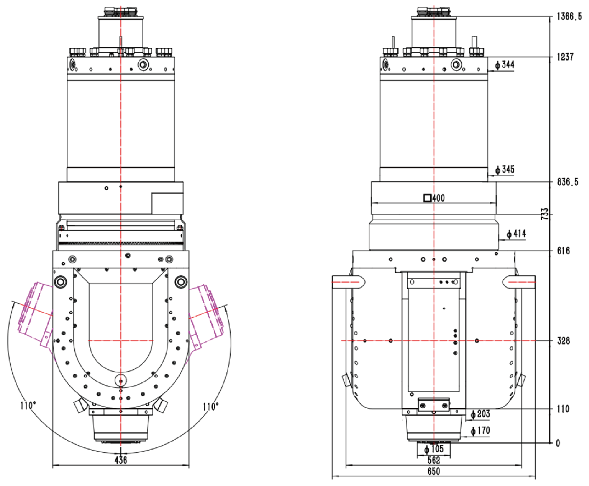
双摆铣头进一步提升产品的静态精度、动态精度、切削能力,形成系列化产品。内置特殊开发的内转子式的大扭矩力矩电机,区别于传统的齿轮传动或蜗轮蜗杆传动方式,具有更高的动态特性和更好的精度保持性。结合全数字力矩电机伺服驱动器,以及编码器分辨率提升技术和误差校正技术,实现双摆角数控万能铣头连续分度,达到5角秒的定位精度。
02 双摆铣头线构图
A轴技术参数
代号
单位
数值
额定扭矩
Ts
Nm
780
最大扭矩
Tmax
1200
夹紧扭矩
P
4000
夹紧系统
——
液压
摆动角度
(°)
±110
定位精度
(″)
5
最大摆动速度
Vmax
rmp
60
摇臂长度
L
mm
328
C轴技术参数
额定转矩
1000
1500
2500
±360
连接止口
351
主轴技术参数
30Kw
84Nm
120Nm
额定转速
3400rpm
最大转速
18000rpm/12000rpm
接口规格
HSK-A63
电主轴参数
KESSLER电主轴
额定功率
PN
Kw
50
nN
rpm
1450
额定扭矩(S1)
330
最大扭矩(S6)
420
nmax
5500
电机类型
同步电机
刀具接口
Φ170
松刀单元